24小时咨询电话 (6686官方版app)
027-82411111
当前位置 : 首页 > 6686官网网页版 > 张新发
找TA设计
做事认真
686官方版app - DESIGNER
张新发 主任设计师
从业时间 : 2014 作品数量 :5套
司 : 华中超级旗舰店
6686官方版app - 业主评价 :
    • 设计实用
    • 有责任心
    • 方案规划合理
    • 效果和预想一致
    • 成熟稳重
    • 细节设计生活便利
    现代简约,极简风,法式,中古风,意式风
    • 个人简介
    • 设计理念
    • 经典楼盘
    • 2014年6686平台十大新锐设计师

      2015年6686平台DK室内大赛金奖

      2015年艾特奖样板房类提名奖

      2017年立邦中国I''IClouer全国五十强设计师

      2022年第五届6686平台环境大赛三等奖

      2022年6686平台优秀设计师

      2024年华中地区,十大新锐明星设计师

    • 不喜欢浮夸的造型,喜欢家里每个造型 6686官方版app,每个软装都能品味出一种味道,这个是家的意义.

    • 复地东湖国际. 名湖豪庭珑御. 尚湖熙园. 银泰御华园二期. 观澜国际 6686官方版app. 江山如画. 泓悦府. 海赋江城.

    相关案例
    户型解析
    在施工地
    其他案例推荐
    (6686官方版app)
    相关案例 (6686官方版app)
    户型解析
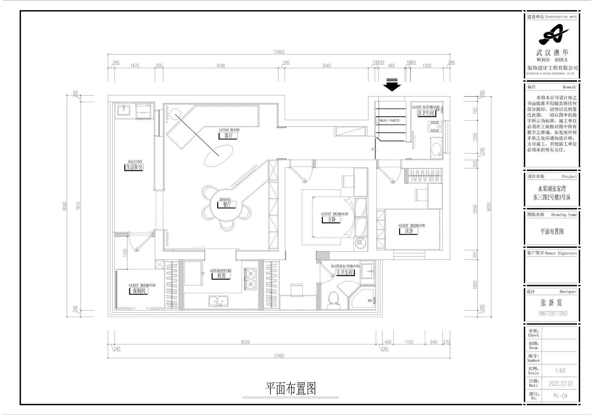
    张家湾小区90㎡三居室现代轻奢品质家居户型解析
    三居室
    90m² (6686官方版app)
    轻奢风

        案例简介:小户型房屋最大的设计难点在于如何将空间进行合理利用,在满足实用功能的前提追求美感,本案例的设计师在进行装饰设计的时候,选用了相对比较洁净素雅的色彩作为主基调色,避免造成视觉压迫感,而元素的选择上,则优先选用质感较强且造型相对比较简约的,以提升整个家居环境的简洁大气美 6686官方版app


        户型解析:


    张家湾小区-Model.jpg

        张家湾小区这套住宅的面积只有90㎡,原有的功能结构设计中只要两个卧室,并不足以满足业主的使用需求,因此设计师根据业主的需求与想法将阳台尽头区域的小空间改造成迷你保姆房,以提升空间利用率 6686官方版app,就餐区域则设计在客厅区域的同一空间中,以减少空间浪费,半开放式的厨房设计现代感十足,且有利用提升家居空间的视觉通透感。


        客厅:




        升降式台面有利于节省空间面积,大面积的白色则从视觉上提升空间宽敞感 6686官方版app


        厨房:


    厨房.jpg

        简约的黑白配色经典又耐看 6686官方版app,为空间增添摩登时尚气息。


    南湖会所700㎡四居室现代轻奢高级别墅院落户型解析
    别墅
    700m²
    轻奢风

        案例简介:由于本案例自带庭院,因此设计师在室内融入了多种绿植设计,从外观上保障庭院与室内设计的一致性 6686官方版app,同时通过对称性原则提升空间整合感,而装修风格的选择上,设计师则选用了相对比较耐看上档次的现代轻奢风,并借助高端材料的质感来提升整个别墅空间的档次感与品质感。


        户型解析:


    七楼图纸-Model.jpg

        南湖会所这座四居室的别墅占地面积约为700㎡,其中含一个室外庭院,因此设计师在进行空间规划的时候,就需要将室外庭院的设计与室内软装进行综合考虑,确保室内外空间的一致性,而由于原有的别墅户型相对比较四方平整 6686官方版app,能够满足业主及家人日常起居使用需求,因此设计师没有对户型墙体进行改拆,而是在保留原有结构的基础上追求格调感与舒适感。


        走廊:


    走廊.jpg


        狭长走廊借助简约盆栽进行点缀 6686官方版app,强调室内外环境的一致性。


        客厅:


    客厅.jpg


        大理石电视背景墙既可以起到装饰点缀客厅的作用,又将客厅与外部空间进行软隔断,有效提升空间的界限感 6686官方版app


        餐厅:


    餐厅.jpg


        核桃色大体量圆桌搭配上流光溢彩的巨型吊灯,整体高端又大气。


        卫生间:


    卫生间.jpg

        大面积的灰色暗纹瓷砖低调又耐看,搭配以裸方形瓷砖,强调区域实用性。


        院落:


    院落.jpg

        大面积的草坪搭配上直线型走廊,起到视觉引导作用,对称性休憩空间设计,则提升空间艺术禅韵美。


    华润翡翠城138㎡四居室简约清新雅苑户型解析
    686官方版app - 四居室
    6686官方版app - 138m²
    现代简约

        案例简介:本案例的业主是一对90后的年轻夫妇,两人都偏爱古朴清新的装修风格,不喜欢各种过于潮流的元素,希望能够在家居中展现一种返璞归真的清新自然美。根据业主的想法与需求,设计师利用简约清新风进行软装,再利用各类素雅洁净的色彩进行整体的装饰点缀,强调一种天然去雕饰的自然清新韵味。


        户型解析:


    平面布置图.jpg

        华润翡翠城这套四居室的占地面积约为138㎡,户型结构呈现长方形,原有的功能区域已经大致完成,而由于客厅区域面积过于狭长,因此设计师在进行规划的时候借助软隔断分隔出一个就餐区域,以避免会客区域显得过于空荡。大面积的阳台则利用大面积的玻璃设计将室外景观带入室内,再搭配以简约的家具,满足业主们观赏自然美景的需求。


        玄关:


    玄关.jpg


        玄关区域借助木质置物柜简约清新而又实用,满足主人出入户时的衣物放置、替换需求。


        客厅:




        客厅区域整体用色相对比较柔和素雅,大面积的白色的配色清新的原木色,营造一种典雅清新的柔和美。


        餐厅:




        大面积的木质材料搭配上带有天然纹理的大理石台面,整体给人以古朴清新的自然韵味感。


        卧室:


    卧室.jpg

        该区域沿用了与客厅一致的配色,强调整个家居环境的衔接感。墙面借助置物台的变化放置装饰空荡的墙面,为空间增添艺术时尚氛围。


    在施工地 (6686官方版app)
    • 开工
    • 前期
    • 中期
    • 后期
    • 竣工
    6686官方版app - 预约设计师
    海量行家, 抢订6686注册设计服务
    每日前20名申请用户, 获3D装修设计图
    预约设计师 (6686官方版app)
    姓名*
    楼盘*
    电话*
    *为了您的权益, 您的隐私将严格保密
    推荐相关案例
    6686注册获取同款设计方案
    姓名*
    楼盘*
    电话*
    *为了您的权益, 您的隐私将严格保密
    预约成功
    您已报名成功, 稍后会有客服人员联系您。 您的隐私将被严格保密。
    关注二维码了解6686体育装修知识
    "6686官方版app" 联系我们
    "6686官方版app" 装修咨询电话 : 027-82411111
    售后服务电话 : 027-82866788
    6686官方版app - 公司地址 : 6686平台市江岸区澳门路232号金冠大厦
    6686官方版app - 6686登录我们
    友情链接 : (6686官方版app)
      66866686官方版app下载官方版-6686官方版app下载2025最新 页面版权所有 jingyu-design.cn

      算一算,您家装修需要花多少钱?

      知精准报价 避装修深坑 (6686官方版app)

      686官方版app - 01/03

      选择您喜欢的风格

      • 现代轻奢

      • 现代美式

      • 北欧

      • 新中式

      • 欧式

      • 其他

      "6686官方版app" 算一算,您家装修要花多少钱?

      知精准报价 避装修深坑

      02/03

      选择房屋面积区间

      • 80-100㎡
      • 100-140㎡
      • 140-200㎡
      • 200-300㎡
      • 300㎡以上

      03/03

      您的户型

      • 两居室

      • 三居室

      • 四居室

      • 五居室

      • 六居室

      "6686官方版app" 算一算,您家装修要花多少钱?

      知精准报价 避装修深坑

      0%

      稍等片刻,您的报价正在生中......

      "6686官方版app" 算一算,您家装修要花多少钱?

      知精准报价 避装修深坑

      您的完整报价已经生成

      6686官方版app - 报名成功享抢订优惠名额

      每日仅限前10名用户